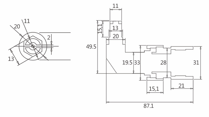
結構尺寸
產品特點
● 吸嘴部分尺寸可根據螺絲規格以及使用條件訂製;
● 採用無碳刷電機,具有超強壽命與耐久性,電機無需保養維護,不產生對電子元件發生影響的物質;
● 採用高精度電機,扭力輸出精準,可完成穩定的上螺絲工序;
● 連續使用電機也幾乎不發熱;
● 適用於手機,數碼產品,手錶等微電子行業。
扭力曲線表
產品參數
*型號英文字母說明:KD: 公司產品代號,M: 無碳馬達,L: 手按式啟動,S: 快速,LOW: 慢速,
ESD: 防靜電,Z: Z形狀起子,W: 彎頭形狀起子,V: 氣吸式,BSE: 機用。
適用電源控制器
周邊配備